Этот сайт использует файлы cookie и метаданные. Продолжая просматривать его, вы соглашаетесь на использование нами файлов cookie и метаданных в соответствии с Политикой конфиденциальности.
Продолжить
Главная \ Проектирование инженерных систем

Проектирование инженерных систем

Проект инженерных систем частного дома или коттеджа - первый и важный этап в реализации инженерных коммуникаций. Проект - паспорт инженерных систем. На переговорах часто задают вопрос: "Зачем нам нужен проект? И так все понятно!

Плюсы при наличии проекта инженерных систем:

  • возможность составления точной сметы с  количеством необходимого материала и общей стоимостью;
  • увязка всех инженерных сетей со смежными проектами;
  • согласование дизайна видимых элементов систем;
  • простота монтажа и контроля;
  • гарантия работоспособности сети;
  • разработка проекта инженерных систем загородного дома поможет сэкономить Ваши деньги и сократить срок поставки оборудования и монтажа.

Компания Атмосфера Тепла выполняет проектирование инженерных систем различных сооружений по следующим разделам:

  • Cистемы отопления
  • Водяные теплые полы
  • Водоснабжение и водоотведение (канализация)
  • Котельные и ИТП
  • Вентиляция и кондиционирование
  • Снеготаяние

Наши проектировщики и менеджеры помогут составить техническое задание перед началом проектирования, а при необходимости осуществят выезд на объект. Расценки на проектные работы можно изучить в разделе цены.

Примеры ошибок при отсутствии проекта инженерных систем зданий:

- При строительстве дома были неправильно выбраны места закладных под коммуникации. В результате, чтобы соблюсти уклон канализационных труб, пришлось увеличить толщину стяжки на 18 сантиметров. Итог - дополнительные траты, потеря времени, уменьшения высоты помещения.

- При отсутствии проекта в плитах перекрытия не оставили закладные под шахты для инженерных коммуникаций. Приходится дополнительно вызывать компанию, которая занимается алмазным сверлением.  Итог - дополнительные траты, потеря времени, дополнительная подрядная организация.

- При подборе радиатора без проекта берется средняя величина тепловых потерь, которая не соответствует действительности. Сейчас строятся дома с хорошими показателями энергоэффективности. Поэтому часто отопительные приборы подобраны с большим запасом. Итог - дополнительные траты.

- При наличии дизайн проекта следует согласовать его с проектами инженерных систем. Иначе, дизайн проект может кардинально отличаться от реального. Некоторые позиции интерьера, включая мебель, являются заказными (срок поставки может достигать 6 месяцев). Мебель приходит с точными размерами, которые необходимо соблюдать при строительстве. Итог - дополнительные согласования, демонтаж и восстановление конструкций, дополнительные затраты, потеря времени.

- При заказе радиаторов необходимо учитывать высоту от чистого пола до подоконника (при проектировании согласовывается с Заказчиком). Часто устанавливают радиаторы, которые при монтаже чистовой отделки оказываются предельными по высоте, либо не помещаются вовсе. Итог - дополнительные траты, потеря времени.

  1. проектирование инженерных систем  проект инженерных системпроект здания   

 

Составы проектов инженерных систем коттеджей:

Отопление (радиаторное и теплый водяной пол)

отоплениеПроект сетей отопления выполянется инженером-проектировщиком, имеющим специальные опыт и знания. Проектирование отопления - это не только графическая часть, но и расчетная. Для выполнения проекта отопления, предварительно составляется техническое задание, для получения всей необходимой информации от Заказчика. Самый важный расчет выполняется в начале проектирования - тепловые потери здания. Тепплопотери показывают энергоэффективность здания. После расчета тепловых потерь подбираются приборы отопления - радиаторы (конвекторы и т.д.). Тепловые потери определяют нагрузку на источник отопления, т.е. появляется возможность подобрать котел определенной мощности. При подборе радиаторов очень важно учитывать теплоотдачу водяного теплого пола, так как часто водяной теплый пол справляется с теплопотерями без радиаторов.

Проект отопления включает в себя:

  • Общие данные;
  • Расчеты тепловых потерь, гидравлики;
  • Схема труб водяных теплых полов и радиаторного отопления;
  • Аксонометрические схемы магистральных труб;
  • Типовые узлы ( схема подключения радиаторов/конвекторов, структура теплого пола, схема подключения коллектора, схема автоматики теплого пола, схема смесительного узла теплого пола и т.д.);
  • Автоматика отопления ( схема расположения термостатов);
  • Спецификация оборудования и материалов;

Водоснабжение и канализация

водоснабжение и каналзацияПроектирование водоснабжения и канализации выполняет проектировщик со знаниями раздела водоснабжение и водоотведение. При строительстве дома эти разделы так же играют важную роль. Прежде всего для исключения ошибок, которые влекут за собой дополнительные затраты. При проектировании канализации важно, чтобы она проектировалась по всем нормам и правилам. При создании архитектурного проекта, желательно, параллельно выполнять проектирование инженерных систем, чтобы правильно расположить выпуски из дома и предусмотреть шахты и проходки через кровлю. При проектировании канализации очень важно соблюдать допустимый уклон труб. Для водоснабжения при заполнении технического задания с Заказчиком согласовываются тип разводки труб, расположение коллекторных шкафов, уточняется место ввода воды. Так же обговариваются дополнительное оборудование - система протечек воды, химическая водоотчитска и т.д. Проекты водоснабжения и канализации обеспечат наиболее удобное использование сантехническими приборами вашего дома.

Состав проекта водоснабжения и канализации:

  • Общие данные;
  • Схема труб водоснабжения и канализации;
  • Аксонометрическая схема систем;
  • Схема узла ввода вода;
  • Схема коллекторов водоснабжения;
  • Схема расположения датчиков протечек воды;
  • Спецификация оборудования и материалов.

Котельная, ИТП

котельная, итп

Котельная - сердце инженерных систем дома. Для проектирования котельной необходимо заполнить техническое задание, собрать данные всех потребителей тепла (отопление, горячее водоснабжение, вентиляция, бассейн, дополнительные пристройки, снеготаяние и т.д.) с требуемой мощностью и гидравлическими параметрами. Определить на каком топливе будет работать котельная установка.  Если в доме планируется газовый котел - согласовать с газовым трестом разрешенную мощность котла. При проектировании котельной важно правильно разместить оборудование в котельной, чтобы это соответствовало нормам и правилам, и было удобно обслуживать данную систему. Проект котельной выполняется инженером-проектировщиком, имеющим опыт и занания в данной отрасли. Разработка проекта котельной обеспечит тепло в доме и даст возможность экономить при эксплуатации.

Состав проекта котельной:

  • Общие данные;
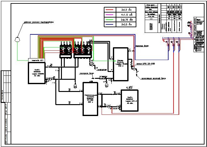
  • Принципиальная гидравлическая схема;
  • Принципиальные электрическая схема;
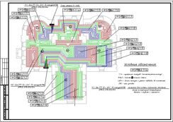
  • План котельной с расположением оборудования;
  • Лист с условными обозначениями;
  • Спецификация оборудования и материалов.

Вентиляция и кондиционирование

вентиляция и кондиционированиеВ частном домостроении проекты вентиляции и кондиционирования считаются более простыми, чем на производствах и административно-культурных зданиях. Для кондиционирования важно определить какие помещения будут обслуживаться данным оборудованием, и какое оборудование требуется устанавливать (стандартные сплит системы, канальные кондиционеры, мульти-сплит система и т.д.). Очень важно расположение наружных блоков (нежелательно располагать со смежной стеной спальни - вибрации и шум будут мешать). Проектировании вентиляции в частном домостроении - это стандартный комплект: естественная с бытовыми вентиляторами из с/у, вытяжка из кухонной зона, вентиляция котельной, приток в помещения с камином. Перед проектированием очень важно согласовать  техническое задание, так как элементы системы емкие и их надо прятать в шахты, потолочное пространство, короба и т.д. Проекты вентиляции и кондиционирования создадут наиболее подходящий микроклимат в помещениях для комфортного нахождения в нем.

Состав проекта вентиляции и кондиционирования:

  • Общие данные;
  • План с расположением основных элементов системы (воздуховоды, вентиляторы, блоки кондиционирования и т. д.);
  • Аксонометрическая схема воздуховодов и трубопроводов;
  • Спецификация оборудования и материалов.

Наша компания осуществляет проектирование наружных (внешних) и внутренних сетей, а также их прокладку в Москве и Московской области. Стоимость проектирования инженерных систем у нас находятся на оптимальном уровне, на все работы предоставляется гарантия.