Этот сайт использует файлы cookie и метаданные. Продолжая просматривать его, вы соглашаетесь на использование нами файлов cookie и метаданных в соответствии с Политикой конфиденциальности.
Продолжить
Главная \ Статьи \ Пеллетные котлы: какой лучше выбрать

Пеллетные котлы: какой лучше выбрать

Пеллетные котлы: какой лучше выбрать

Данное отопительное устройство - это разновидность твердотопливных котлов. Лучшая разновидность. Название получило по виду топлива, на котором работает – пеллет. Это прессованные гранулы из содержащих древесину материалов – стружки, опилок и т.д.

Конструкция и как работает пеллетный котел

Это оборудование включает в себя узлы:

  1. Топка – камера, где собственно происходит сгорание пеллет. Оборудована факельной или ретортной горелкой.
  2. Конвективная зона – полость, где происходит основной отбор тепла от образующихся в процессе горения газов. Снабжена пластинчатым или трубчатым теплообменником.
  3. Зольник – часть агрегата, куда поступают отходы после сгорания пеллет.
  4. Бункер – емкость с пеллетами, откуда они поступают в топку.
  5. Шнек – устройство для порционной подачи гранул из бункера в топку.
  6. Вентилятор – для создания искусственной тяги с целью поддержания необходимых параметров горения.
  7. Система автоматики – управляет работой агрегата.

общий вид пеллетного котла

Принцип работы пеллетных котлов следующий. Гранулы посредством шнека порционно (периодически) подаются в топку, где происходит их сгорание. Горячие газы поднимаются вверх, попадают в конвективную зону, где нагревают теплообменник, внутри которого циркулирует вода или иной теплоноситель. Далее эта вода попадает в нагревательные приборы (радиаторы, батареи) системы отопления дома.

Для поддержания нужных параметров горения контроллер системы управления управляет работой вентилятора и шнека. Порционный метод подачи топлива в сочетании с управлением вентилятором обеспечивает   эффективное соотношение между массой гранул и нагнетаемого для их сгорания воздуха. К тому же появляется возможность точно регулировать мощность устройства. Например, уменьшать горение ночью или в другое нужное время.

Преимущества пеллетных котлов

  1. Высокий КПД. Лучшие пеллетные котлы имеют этот показатель 95%! Это уже сравнимо с характеристиками газовых аналогичных устройств.  Достигается это благодаря использованию пеллет. Имея развитую поверхность (намного выше, чем у угля или дров) они имеют отличную теплоотдачу, при этом практически полностью сгорая. То есть вся купленная масса топлива используется. Вы не платите за золу. Теплотворная способность этих гранул достигает 5 квт/ч с одного килограмма такого топлива.
  2. Высокая степень автоматизации и удобство эксплуатации. По этому показателю пеллетный котел намного превосходит другие разновидности своих твердотопливных коллег и приближается к газовому и электрокотлу. В зависимости от емкости бункера такие агрегаты работают в автономном режиме от несколько дней до нескольких недель, а то и месяцев. Так как гранулы практически не загрязняют окружающую среду (в отличие от того же угля с его пылью или дров с их опилками и щепами) пеллетное устройство может даже работать в многоквартирных домах. Отдельной котельной не требуется.  
  3. Минимальное количество золы. Ведрами за день выносить не придется. В сравнении с другими вариантами твердотопливных устройств вы просто практически ничего не будете делать!

Единственный недостаток таких агрегатов - высокая цена. Это связана со сложной конструкцией, чтобы обеспечить максимальную автоматизацию и автономность работы, а также высокий КПД. Однако учитывая последнее, а также длительный срок эксплуатации, все затраты окупятся. Зато вы можете наслаждаться простой, комфортной работой такого агрегата, который будет доставлять минимум хлопот.

Какой лучше пеллетный котел выбрать

Необходимо выбирать модель пеллетного котла, придерживаясь следующего алгоритма.

  1. Наличие необходимой тепловой мощности. Методика расчета необходимого тепла для обогрева дома или квартиры изложена в Интернете, и найти ее не составит труда. Наш совет –  выбирайте модель, номинальная мощность которой на 15-20% больше необходимой.
  2. На каком топливе вы намерены работать. Есть модели, работающие только на пеллетах, а есть те, которые также допускают эксплуатацию на угле или дровах. Стоят они дороже, но за универсализм надо платить.
  3. С помощью этого агрегата вы намерены только отапливать дом или еще нагревать воду? То есть необходима одноконтурная или двухконтурная модель?
  4. Степень автоматизации устройства. Существуют модели:
    • Автоматические – вам остается периодически лишь добавлять в бункер топливо и выставить температурные параметры, которые нужно поддерживать.
    • Полуавтоматические – тепловая мощность задается механическим регулятором. В дальнейшем объем подаваемого топлива для заданного мощностного уровня поддерживается автоматически.  Оптимальный выбор с точки зрения цены и качества
    • С ручной подачей топлива.  Наиболее доступный вариант, но на отопительный сезон вы становитесь кочегаром.

Рейтинг пеллетных котлов

Коротко приведем описание наиболее популярных моделях 2018 года. 

Лучшие пеллетные котлы:

  1. Купер 30 – одноконтурная модель с автоматической загрузкой топлива с очень выгодной ценой. Мощность 30 кВт (для обогрева 250-300 м2).
  2. Roteks 70 Люкс – мощная (для обогрева 500 м2) модель с автоматической загрузкой.
  3. Termal-20 – отличное устройство с двумя контурами и КПД до 92%. Мощность 20 кВт.
  4. Kiturami KRP 20PA – также двухконтурная модель мощностью 24 кВт. В минуту нагревает более 8 л воды.
  5. Buderus Logano G221 A – высокоэффективное устройство с двумя контурами. Работает на пеллетах и угле. Мощность 25 кВт.

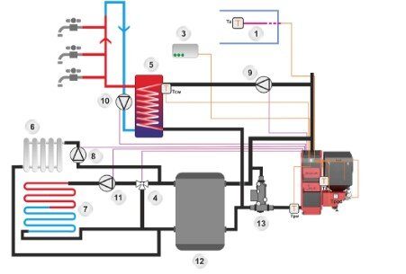
Схема подключения

Подключение пеллетных котлов ничем принципиально не отличается от обвязки других, аналогичных по функциям, агрегатов. Если эта одноконтурная модель, то нагнетательный патрубок врезается в подачу, а всасывающий в обратку. Двухконтурную модель аналогичным образом необходимо еще подключать системе горячего водоснабжения.

Эти устройства в преобладающем количестве случаев не имеют циркуляционного насоса. Поэтому схема отопления дома должна быть основана на естественной циркуляции (благодаря изменению плотности горячей и холодной воды). Или необходимо дополнительно монтировать циркуляционный насос. Разумеется, стоимость системы увеличивается, но значительно повышается экономичность и скорость прогрева помещения.

Ниже показаны принципиальные схемы отопления с естественной (рис.1) и принудительной циркуляцией (рис.2).

схема отопления с естественной циркуляцией

Рис. 1 Схема отопления с естественной циркуляцией теплоносителя

схема отопления с принудительной циркуляцией

Рис.2 Схема отопления с принудительной циркуляцией теплоносителя

pelet4

Особенности установки пеллетных котлов

Благодаря конструкции (зона высокой температуры сосредоточена в сравнительно небольшой по объему топке), нет необходимости корпус этого агрегата выполнять из массивного литого чугуна. Вполне подойдет относительно легкая листовая сталь.  Поэтому масса этих устройств мощностью 25-30 кВт (для использования в домашних условиях) не превышает 150-300 кг. Поэтому для монтажа они не нуждаются в специально фундаменте.

Но если обвязка пеллетных котлов предполагает подсоединение к нему бункера для гранул ёмкостью 0,5-1,5 тонн, то тогда фундамент необходим. Разумеется, для такого варианта нужна отдельная котельная.

Монтаж пеллетных котлов в Москве

Выше мы сказали, что эти агрегаты – это дорогостоящее отопительное оборудование. Чтобы оно работало с максимальной эффективностью и долгие годы, устанавливать и обвязывать его должны профессионалы. Это аксиома.  Особенно, если это дорогостоящие автоматические модели.

В Москве рекомендуем обратиться в нашу компанию «Атмосфера тепла». Наши преимущества:

  1. Разработаем проект системы отопления и водоснабжения на основе пеллетного котла, которая будет иметь высокие характеристики экономичности и удобства эксплуатации.
  2. Оперативно выполним качественный монтаж и пусконаладочные работы.
  3. Осуществим гарантийное сервисное обслуживание.  
  4. Предложим конкурентные цены за наши услуги.

Пеллетные котлы являются одним из самых совершенных отопительных устройств. И во многих случаях являются оптимальным вариантом отопления дома. Вам не надо подключаться к газовой или электрической сети, а значит, исключается хлопотный и долгий процесс согласования с муниципальными органами. В итоге вы будете наслаждаться комфортом и уютом в доме, не прилагая для этого больших усилий.